sticky-Slide Tissue粘性-組織切片通道載玻片(貨號:80518)  
組織切片免疫熒光通道載玻片: 專用于在顯微載玻片上對組織切片進行精確免疫熒光和免疫組化染色的通道載玻片 ● 可在顯微載玻片上創建一個小而確定的體積,用于組織染色 ● 可與泵連接,用于自動和后續染色方案 ● 在脫蠟和再水化后的組織切片樣本,可方便地進行液體交換  
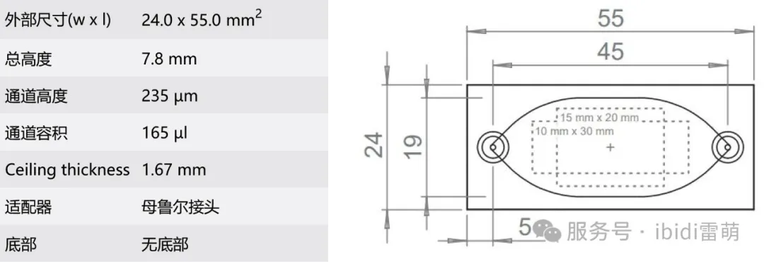
技術參數: 
應用: ● 福爾馬林固定、石蠟包埋(FFPE)組織的組織染色、Immunohistochemistry (IHC)免疫組織化學、immunocytochemistry (ICC)免疫細胞化學, immunofluorescence (IF)免疫熒光 ● (熒光)原位雜交((F)ISH) ● 組織樣本上的DNA涂料 ● 玻片鑲嵌組織的顯微鏡檢和成像 ● 染色程序的并行化和自動化 ● 空間生物學研究 ● 順序免疫染色 ● 多重染色 ● 其他可能的應用:新鮮冷凍切片(冷凍切片) 技術特點: ● 在載玻片組織上創建通道,最大程度地減少寶貴試劑的浪費 ● 粘性底部,便于安裝到玻璃顯微載玻片上 ● 標準魯爾接口,便于連接適配器、管道和泵 ● 低容量腔室--節省抗體和探針 ● 染色過程中蒸發量低 ● 無需使用PAP筆手動疏水屏障 
實驗工作流程: Sticky-Slide Tissue粘性-組織切片通道載玻片提供了一個簡單、便捷的工作流程,可在載玻片安裝的組織切片上創建一個節省空間的通道。在對組織進行脫石蠟處理和再水化后,取下襯底并將粘性載玻片放在顯微載玻片上,即可為組織切片創建一個方便的染色室。 使用移液管手動執行染色方案,或使用自動化設備(如管路和泵等)進行多重染色。 

實驗實例: 小鼠腸道組織切片的多色免疫熒光顯微鏡觀察。 
將福爾馬林固定石蠟包埋(FFPE)組織切片脫蠟和再水化處理后,使用sticky-Slide Tissue粘性-組織切片通道載玻片進行染色。該切片顯示了結腸粘膜淋巴細胞聚集。藍色:細胞核(DAPI),綠色:F-actin(Phalloidin-iFluor 488),紅色:I型膠原(Alexa Fluor 647),10倍物鏡,尼康Eclipse Ti-E寬場熒光顯微鏡。 訂購信息: 
|